De gros Tour de pulvérisation en inox 316L

  • Tour de pulvérisation en inox 316L
  • Tour de pulvérisation en inox 316L
  • Tour de pulvérisation en inox 316L
  • Tour de pulvérisation en inox 316L
  • Tour de pulvérisation en inox 316L
  • Tour de pulvérisation en inox 316L

Tour de pulvérisation en inox 316L

Principe de fonctionnement de la tour de pulvérisation en acier inoxydable 316L et environnement gazeux applicable

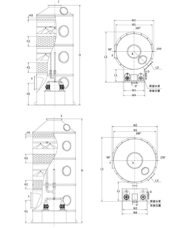
I. Principe de fonctionnement (identique au processus de la tour PP/PPH, mais matériaux et conditions de fonctionnement différents)
1. Les gaz d'échappement pénètrent tangentiellement dans la tour, s'élevant à travers la section d'égalisation jusqu'à la section d'emballage/pulvérisation ;
2. Les buses 316L situées au sommet de la tour atomisent NaOH, H₂SO₄ ou d'autres solutions chimiques en gouttelettes, qui entrent en contact à contre-courant avec le gaz ;
3. Un film liquide se forme à la surface de l'anneau Pall 316L ou de la garniture annulaire étagée, éliminant les polluants par absorption, dissolution, neutralisation ou réactions redox ;
4. Le gaz purifié contenant des gouttelettes continue à travers un treillis métallique 316L ou un dévésiculeur à chicane, où il est déshydraté et déchargé dans des conditions standard ;
5. Les déchets liquides sont collectés dans un réservoir de circulation de 316 L au bas de la tour. Après dosage et filtration automatiques, il est recyclé par une pompe 316L jusqu'à répondre aux normes de rejet ou être externalisé pour traitement.

2. Avantages du matériau 316L
• Contient 23 % de Mo, offrant une résistance 30 % plus élevée aux piqûres de Cl⁻ et à la corrosion caverneuse que le 304 ;
• Peut résister à une utilisation à long terme dans des gaz d'échappement à haute température entre 80 et 150°C sans déformation ni vieillissement ;
• Haute résistance mécanique, capable de résister à des fluctuations de pression supérieures à ±5 kPa, ce qui le rend adapté aux systèmes à tirage induit à haute pression.

III. Environnements de gaz applicables typiques
| Industrie | Exemples de médias gazeux | Caractéristiques |
| Chimique/Pharmaceutique | HCl, Cl₂, SO₂, HF, H₂S | Haute concentration, hautement corrosif, contenant des halogènes |
| Galvanoplastie/Décapage | Brouillard d'acide chromique, cyanure d'hydrogène, brouillard d'acide nitrique | Contient des ions de métaux lourds, hautement oxydants |
| Incinération des déchets | Mélange gazeux HCl SO₂ HF, précurseurs de dioxine | Haute température, humidité élevée, composition complexe |
| Métallurgie/Electronique | NOₓ, ammoniac, silane, phosphine | Poussières contenant du fluor et du silicium, ainsi que des acides et alcalis forts |
| Laboratoire | Gaz d'échappement mélangés acide-base, vapeurs de solvants organiques | Grandes fluctuations de concentration, émissions intermittentes |

IV. Comparaison avec la sélection de tour PP/PPH
• Température > 60°C ou contenant du fluor ou des ions chlorure élevés → Sélectionner 316L ;
• Contenant de l'acide fluorhydrique ou de l'acide sulfurique concentré à haute température → Mise à niveau vers 904L ou Hastelloy ;
• Pour les projets à température ambiante contenant des acides et des alcalis faibles ou sensibles aux coûts, choisissez PP/PPH.

La tour de pulvérisation en acier inoxydable 316L utilise un mécanisme de transfert de masse par pulvérisation à contre-courant, maintenant une efficacité de purification de ≥95 % et une durée de vie de plus de dix ans, même dans des scénarios de gaz résiduaires à haute température, à haute teneur en chlorure, hautement oxydants ou fortement réducteurs. C'est le choix préféré pour traiter les gaz résiduaires corrosifs dans les industries telles que la chimie, la galvanoplastie et l'incinération des déchets.

Sélection d'épurateur chimique
Tableau des spécifications techniques des épurateurs par pulvérisation emballés
Pour des raisons de commodité et de sécurité de transport, les épurateurs par pulvérisation emballés en PP sont classés en deux types :
Type 1 : Épurateur par pulvérisation emballé dans un réservoir intégré (diamètre de la tour : Φ1 000 mm – Φ 2 200 mm)
Type 2 : Épurateur par pulvérisation à réservoir d'eau de type divisé (diamètre de la tour : Φ2 500 mm – Φ3 500 mm)
Modèles correspondants à la capacité de débit d’air pour les tours remplies :

Modèle Capacité de débit d'air (m³/h) Dimensions de l'équipement Puissance de la pompe Épaisseur de l'emballage Vitesse du vent Matériel d'équipement
LRTL-600 0 - 1500m³/heure Φ600×3000 0,75 kW 500*2 1,48 m/s PP/304/Q235/FRP
LRTL-800 1501 - 2500m³/heure Φ800×3000 0,75 kW 500*2 1,39 m/s PP/304/Q235/FRP
LRTL-1000 2501 - 4000m³/heure Φ1000×5000 1,5 kW 500*2 1,42 m/s PP/304/Q235/FRP
LRTL-1200 4001 - 6000m³/heure Φ1200×5000 2,2 kW 500*2 1,48 m/s PP/304/Q235/FRP
LRTL-1500 6001 - 9500m³/heure Φ1500×5000 3,75 kW 500*2 1,5 m/s PP/304/Q235/FRP
LRTL-1800 9501 - 14000m³/h Φ1800×5000 5,5 kW 500*2 1,53 m/s PP/304/Q235/FRP
LRTL-2000 14001 - 17000m³/heure Φ2000×6000 5,5 kW 500*2 1,5 m/s PP/304/Q235/FRP
LRTL-2200 17001 - 20000m³/h Φ2200 × 6000 7,5 kW 500*2 1,46 m/s PP/304/Q235/FRP
LRTL-2500 20001 - 27000m³/h Φ2500×6000 7,5 kW 500*2 1,53 m/s PP/304/Q235/FRP
LRTL-2800 27001 - 33000m³/h Φ2800×6000 15kw 500*2 1,49 m/s PP/304/Q235/FRP
LRTL-3000 33001 - 38000m³/h Φ3000×6800 15kw 500*2 1,49 m/s PP/304/Q235/FRP
LRTL-3200 38001 - 44000m³/h Φ3200×6800 15kw 500*2 1,52 m/s PP/304/Q235/FRP
LRTL-3500 44001 - 55000m³/h Φ3500×6800 15kw 500*2 1,5 m/s PP/304/Q235/FRP

Remarque : des conceptions personnalisées peuvent être fournies sur demande du client.

Diagramme de sélection : 

Groupe de protection de l'environnement Hangzhou Lvran Co., Ltd.

  • 1000+

    Clients du service après-vente

  • 2000+

    Études de cas nationales en ingénierie

Hangzhou Lvran Environmental Protection Group Co., Ltd. Il s agit d un fournisseur de services d ingénierie et d un fabricant d équipements complets pour le traitement des gaz résiduaires, intégrant la R&D, les services techniques, la conception, la production, l installation technique et le service après-vente.

nous sommes Chine Tour de pulvérisation en inox 316L fournisseur et De gros Tour de pulvérisation en inox 316L Société exportatrice. Le groupe est une entreprise nationale de haute technologie, une entreprise scientifique et technologique de la province du Zhejiang, un centre régional de recherche et développement et bénéficie d une notation de crédit AAA. Il détient plus de 30 brevets de modèles d utilité, de nombreux brevets d invention et des droits d auteur sur des logiciels. Le groupe entretient une coopération technologique à long terme en matière de recherche et développement avec des universités et des instituts de recherche nationaux, notamment le « Centre de recherche et de développement sur l innovation environnementale » créé conjointement avec l Université des sciences et technologies d Anhui et le « Centre de recherche et de développement sur l énergie plasma et les nouvelles technologies environnementales » créé conjointement avec l Université des sciences et technologies du Zhejiang. Le groupe a mis en place ses propres bases de R&D et de production afin de mener une coopération technologique approfondie. Le groupe possède une technologie de base pour le traitement des COV et détient une qualification d entrepreneur général de classe II pour la construction de travaux publics municipaux, une licence de production sûre, une qualification de conception spéciale de classe B pour le contrôle de la pollution environnementale dans la province du Zhejiang, une qualification de service de main-d œuvre non classifiée et une qualification d entrepreneur professionnel d ingénierie spéciale. Le groupe a obtenu la certification ISO 9001 (système de management de la qualité), la certification ISO 14001 (système de management environnemental) et la certification ISO 45001 (système de management de la santé et de la sécurité au travail).

Certificat d honneur

Les distinctions suivantes témoignent de nos remarquables réussites. Nous avons conquis nos clients grâce à des produits de haute qualité et obtenu les éloges du marché et de tous les secteurs de la société grâce à un service irréprochable.

  • Unité de base et réacteur à champ électrique élevé de type plaque pour empêcher les fuites le long de la surface
  • Dispositif de réaction pour synthétiser du méthanol à l'aide de dioxyde de carbone et d'eau et procédé de synthèse de méthanol à l'aide de dioxyde de carbone et d'eau.
  • Précipitateur électrostatique autonettoyant
  • Un ventilateur haute pression résistant à la corrosion avec fonction de réglage de la direction du vent
  • Un ventilateur haute capacité autonettoyant réglable
  • Système de contrôle combiné de prétraitement des gaz d'échappement par gazéification catalytique
  • Système de purification et de traitement des gaz d'échappement à champ électrostatique continu, nettoyage à la vapeur
  • Système d'équipement de purification des gaz d'échappement par photolyse UV plasma à basse température
  • Certificat d'enregistrement de marque
Actualités et événements récents
Je partage avec vous
Voir plus d actualités