• Épurateur chimique

Épurateur chimique

L'épurateur chimique est un filtre d'épuration avancé. Il utilise une structure spéciale et une grande surface spécifique d'emballage régulier comme emballage de transfert de masse et de déshydratation. Dans le même temps, selon les différents composants responsables de l'odeur, l'acide, l'alcali et l'oxydant correspondants sont utilisés comme liquide de lavage par absorption pour éliminer l'odeur dans l'espace et éliminer l'impact sur l'environnement.

Le flux d'air odorant est transporté à travers le conduit d'air et pénètre dans la tour depuis l'entrée de la tour. Après être entré dans la tour, il traverse la couche d'emballage de bas en haut et est finalement évacué de la sortie du pipeline supérieur de la tour via le ventilateur anticorrosion. La solution neutralisante passe à travers le séparateur de liquide au sommet de la tour, est pulvérisée uniformément dans la couche d'emballage, s'écoule le long de la surface de la couche d'emballage jusqu'à ce qu'elle soit évacuée du fond de la tour à travers le pipeline et circule par la pompe de circulation anti-corrosion. À mesure que la concentration de solutés dans le flux d'air ascendant devient de plus en plus faible, la fonction de purification est atteinte lorsqu'il atteint le sommet de la tour, et il est déchargé ou continue d'être purifié jusqu'à l'étape suivante. Au contraire, la concentration du milieu dans le liquide descendant devient de plus en plus élevée, et il atteint les conditions du processus lorsqu'il atteint le bas de la tour et est déchargé de la tour.

Avantages de la tour d'emballage par pulvérisation : elle a un rendement élevé, une petite capacité de rétention de liquide, un poids léger et une utilisation facile, ce qui permet aux travailleurs de démarrer immédiatement. La remplisseuse peut être sélectionnée en fonction des conditions de travail fournies par le client. Il en existe de nombreux types et des anneaux à billes résistants à la corrosion sont généralement utilisés. Cependant, il convient de noter que les matières solides en suspension peuvent obstruer la charge en raison de son grand diamètre de particules, elle n'est donc généralement pas adaptée au traitement des matières solides. Par exemple, le NH₃, le HCl, le H₂S, les oxydes d'azote et les gaz résiduaires organiques générés par les usines peuvent être traités efficacement avec cet équipement.

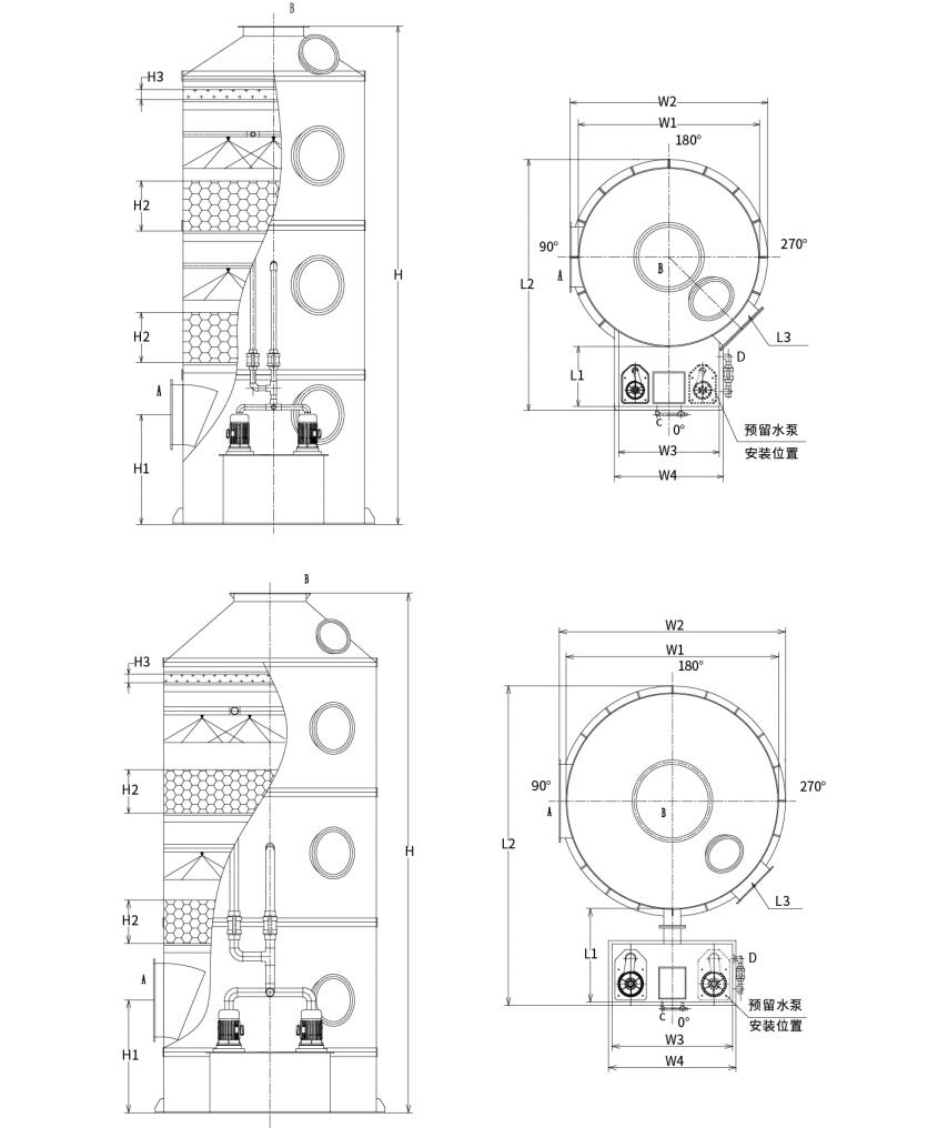
Structure de l'épurateur chimique :
Comme le montre la figure : Le système complet de lavage par pulvérisation emballé comprend les composants suivants :

1. Le corps de la tour en feuilles de PP (polypropylène) ;

2. Cadre de support d'emballage en panneaux de caillebotis PP ;

3. Tuyaux de raccordement de pulvérisation en UPVC ;

4. Buses en spirale PP ;

5. Emballage à bille creuse ou à anneau Pall ;

6. Pompe de circulation en PP résistant à la corrosion ;

7. Couche antibuée en maille ;

8. Dispositifs de réapprovisionnement en eau manuels et automatiques ;

9. Tuyaux de trop-plein et de drainage ;

10. Fenêtre d'inspection.

Sélection d'épurateur chimique :
Tableau des paramètres techniques de l'épurateur par pulvérisation emballé

Pour garantir la commodité et la sécurité du transport, les épurateurs par pulvérisation emballés en PP sont divisés en deux types :

Type 1 : Épurateur de pulvérisation rempli de réservoir d'eau intégré (diamètre de la tour : Φ1000mm-Φ2200mm)

Type 2 : Épurateur par pulvérisation emballé dans un réservoir d'eau de type divisé (diamètre de la tour : Φ2 500 mm-Φ3 500 mm)


Spécifications du modèle correspondant à la capacité du flux d’air :

Modèle Volume d'air Taille de l'appareil Puissance de la pompe à eau Épaisseur de remplissage Vitesse du vent Matériel d'équipement
LRTL-600 0-1500 m³/h Φ600x3000 0,75 kW 500*2 1,48 m/s PP/304/Q235/FRP
LRTL-800 1501-2500m³/heure Φ800x3000 0,75 kW 500*2 1,39 m/s PP/304/Q235/FRP
LRTL-1000 2501-4000m³/heure Φ1000x5000 1,5 kW 500*2 1,42 m/s PP/304/Q235/FRP
LRTL-1200 4001-6000m³/h Φ1200x5000 2,2 kW 500*2 1,48 m/s PP/304/Q235/FRP
LRTL-1500 6001-9500m³/h Φ1500x5000 3,75 kW 500*2 1,5 m/s PP/304/Q235/FRP
LRTL-1800 9501-14000m³/heure Φ1800x5000 5,5 kW 500*2 1,53 m/s PP/304/Q235/FRP
LRTL-2000 14001-17000m³/h Φ2000x6000 5,5 kW 500*2 1,5 m/s PP/304/Q235/FRP
LRTL-2200 17001-20000m³/h Φ2200x6000 7,5 kW 500*2 1,46 m/s PP/304/Q235/FRP
LRTL-2500 20001-27000m³/h Φ2500x6000 7,5 kW 500*2 1,53 m/s PP/304/Q235/FRP
LRTL-2800 27001-33000m³/h Φ2800x6000 15kw 500*2 1,49 m/s PP/304/Q235/FRP
LRTL-3000 33001-38000m³/h Φ3000x6800 15kw 500*2 1,49 m/s PP/304/Q235/FRP
LRTL-3200 38001-44000m³/h Φ3200x6800 15kw 500*2 1,52 m/s PP/304/Q235/FRP
LRTL-3500 44001-55000m³/h Φ3500x6800 15kw 500*2 1,5 m/s PP/304/Q235/FRP

Remarque : les conceptions non standard peuvent être personnalisées selon les exigences du client.

Diagramme de sélection :

Groupe de protection de l'environnement Hangzhou Lvran Co., Ltd.

  • 1000+

    Clients du service après-vente

  • 2000+

    Études de cas nationales en ingénierie

Hangzhou Lvran Environmental Protection Group Co., Ltd. Il s agit d un fournisseur de services d ingénierie et d un fabricant d équipements complets pour le traitement des gaz résiduaires, intégrant la R&D, les services techniques, la conception, la production, l installation technique et le service après-vente.

nous sommes Chine Épurateur chimique fournisseur et De gros Épurateur chimique Société exportatrice. Le groupe est une entreprise nationale de haute technologie, une entreprise scientifique et technologique de la province du Zhejiang, un centre régional de recherche et développement et bénéficie d une notation de crédit AAA. Il détient plus de 30 brevets de modèles d utilité, de nombreux brevets d invention et des droits d auteur sur des logiciels. Le groupe entretient une coopération technologique à long terme en matière de recherche et développement avec des universités et des instituts de recherche nationaux, notamment le « Centre de recherche et de développement sur l innovation environnementale » créé conjointement avec l Université des sciences et technologies d Anhui et le « Centre de recherche et de développement sur l énergie plasma et les nouvelles technologies environnementales » créé conjointement avec l Université des sciences et technologies du Zhejiang. Le groupe a mis en place ses propres bases de R&D et de production afin de mener une coopération technologique approfondie. Le groupe possède une technologie de base pour le traitement des COV et détient une qualification d entrepreneur général de classe II pour la construction de travaux publics municipaux, une licence de production sûre, une qualification de conception spéciale de classe B pour le contrôle de la pollution environnementale dans la province du Zhejiang, une qualification de service de main-d œuvre non classifiée et une qualification d entrepreneur professionnel d ingénierie spéciale. Le groupe a obtenu la certification ISO 9001 (système de management de la qualité), la certification ISO 14001 (système de management environnemental) et la certification ISO 45001 (système de management de la santé et de la sécurité au travail).

Certificat d honneur

Les distinctions suivantes témoignent de nos remarquables réussites. Nous avons conquis nos clients grâce à des produits de haute qualité et obtenu les éloges du marché et de tous les secteurs de la société grâce à un service irréprochable.

  • Unité de base et réacteur à champ électrique élevé de type plaque pour empêcher les fuites le long de la surface
  • Dispositif de réaction pour synthétiser du méthanol à l'aide de dioxyde de carbone et d'eau et procédé de synthèse de méthanol à l'aide de dioxyde de carbone et d'eau.
  • Précipitateur électrostatique autonettoyant
  • Un ventilateur haute pression résistant à la corrosion avec fonction de réglage de la direction du vent
  • Un ventilateur haute capacité autonettoyant réglable
  • Système de contrôle combiné de prétraitement des gaz d'échappement par gazéification catalytique
  • Système de purification et de traitement des gaz d'échappement à champ électrostatique continu, nettoyage à la vapeur
  • Système d'équipement de purification des gaz d'échappement par photolyse UV plasma à basse température
  • Certificat d'enregistrement de marque
Actualités et événements récents
Je partage avec vous
Voir plus d actualités