De gros Épurateur humide à plaque cyclone

  • Épurateur humide à plaque cyclone

Épurateur humide à plaque cyclone

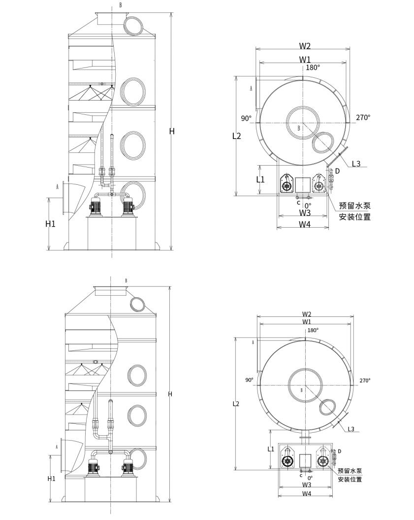
La tour d'épurateur à cyclone comporte généralement un corps de tour cylindrique équipé de déflecteurs en spirale. Pendant le fonctionnement, les gaz de combustion pénètrent tangentiellement par le bas de la tour et s'écoulent vers le haut. Guidé par les pales des déflecteurs, le gaz monte en spirale, atomisant le liquide s'écoulant le long des plaques en fines gouttelettes. Cela crée une grande zone de contact gaz-liquide. Les gouttelettes sont transportées par le flux gazeux et tournent, générant une force centrifuge qui améliore l’interaction gaz-liquide. Finalement, les gouttelettes sont projetées sur la paroi de la tour, s'écoulent vers le bas le long de la paroi jusqu'au déflecteur suivant et sont réatomisées par le flux de gaz pour un contact ultérieur. Comme décrit, le liquide atteint un contact approfondi avec le gaz tout en maintenant une séparation efficace, minimisant ainsi l'entraînement du brouillard. La capacité de charge gaz-liquide de ce système est plus du double de celle des chicanes classiques.

Les excellentes conditions de contact gaz-liquide de la tour garantissent une absorption efficace des gaz résiduaires par les liquides alcalins. De plus, la tour d’épuration à cyclone démontre des performances supérieures de dépoussiérage. Les particules de poussière présentes dans le gaz sont capturées par le brouillard d'eau sur les déflecteurs en spirale, et les particules et gouttelettes projetées sur la paroi de la tour par la force centrifuge sont également efficacement éliminées. En conséquence, le gaz sortant de la tour transporte un minimum de poussière et de gouttelettes. La vitesse du vent de la tour vide varie entre 2,2 et 2,7 m/s.

Structure de la tour de pulvérisation à tourbillon :
Comme le montre la figure : Le système de lavage par pulvérisation complet comprend les composants suivants :

● Corps de tour en feuilles de PP (polypropylène) ;

● Cadre construit avec des chicanes en spirale PP ;

● Tuyaux de raccordement de pulvérisation en UPVC (polychlorure de vinyle non plastifié) ;

● Buses spirales PP ;

● Pompe de circulation en PP résistant à la corrosion ;

● Couche antibuée (type maille/cyclone/déflecteur) ;

● Dispositifs de réapprovisionnement en eau manuels et automatiques ;

● Tuyaux de trop-plein et de drainage ;

● Fenêtre d'inspection.

Paramètres de sélection de la tour à plaques cycloniques :
Pour garantir la commodité et la sécurité du transport, les tours d'épurateur cyclonique PP sont divisées en deux catégories de spécifications :

Type 1 : Épurateur cyclonique à réservoir d'eau intégré (diamètre de la tour : Φ1000mm-Φ2200mm)

Type 2 : Épurateur cyclonique à réservoir d'eau de type divisé (diamètre de la tour : Φ2500mm-Φ3500mm)


Modèles de tours d'épurateurs cycloniques correspondant à la capacité de débit d'air :

Modèle Plage de volume d'air Taille de l'appareil Puissance de la pompe à eau Nombre de pales tourbillonnantes Plage de vitesse du vent Matériel d'équipement
XL-600 0-2800 m³/h Φ600×2950 0,75 kW 2 0-2,76 m/s PP/304/Q235/FRP
XL-800 3800-5000m³/heure Φ800×3300 0,75 kW 2 2,11-2,77 m/s PP/304/Q235/FRP
XL-1000 6000-7500m³/heure Φ1000×4380 1,5 kW 2 2,13-2,66 m/s PP/304/Q235/FRP
XL-1200 8500-11000m³/heure Φ1200×4430 2,2 kW 2 2,09-2,71 m/s PP/304/Q235/FRP
XL-1500 14 000 à 17 000 m³/h Φ1500×5000 3,75 kW 2 2,2-2,68 m/s PP/304/Q235/FRP
XL-1800 20 000 à 25 000 m³/h Φ1800 × 5650 5,5 kW 2 2,19-2,73 m/s PP/304/Q235/FRP
XL-2000 25001-30000m³/h Φ2000×6200 5,5 kW 2 2,21-2,66 m/s PP/304/Q235/FRP
XL-2200 30001-37000m³/h Φ2200 × 6700 7,5 kW 2 2,19-2,71m/s PP/304/Q235/FRP
XL-2500 40 000 à 47 000 m³/h Φ2500×6850 7,5 kW 2 2,27-2,66 m/s PP/304/Q235/FRP
XL-2800 49 000 à 58 000 m³/h Φ2800 × 7900 11 kW 2 2,21-2,62 m/s PP/304/Q235/FRP
XL-3000 58 000 à 68 000 m³/h Φ3000×8000 11 kW 2 2,28-2,67 m/s PP/304/Q235/FRP
XL-3200 68 000 à 78 000 m³/h Φ3200×8000 15kw 2 2,35-2,7 m/s PP/304/Q235/FRP
XL-3500 78 000 à 88 000 m³/h Φ3500×8000 15kw 2 2,25-2,54 m/s PP/304/Q235/FRP

Remarque : Des conceptions non standard peuvent être réalisées selon les exigences du client.

Diagramme de sélection :

Groupe de protection de l'environnement Hangzhou Lvran Co., Ltd.

  • 1000+

    Clients du service après-vente

  • 2000+

    Études de cas nationales en ingénierie

Hangzhou Lvran Environmental Protection Group Co., Ltd. Il s agit d un fournisseur de services d ingénierie et d un fabricant d équipements complets pour le traitement des gaz résiduaires, intégrant la R&D, les services techniques, la conception, la production, l installation technique et le service après-vente.

nous sommes Chine Épurateur humide à plaque cyclone fournisseur et De gros Épurateur humide à plaque cyclone Société exportatrice. Le groupe est une entreprise nationale de haute technologie, une entreprise scientifique et technologique de la province du Zhejiang, un centre régional de recherche et développement et bénéficie d une notation de crédit AAA. Il détient plus de 30 brevets de modèles d utilité, de nombreux brevets d invention et des droits d auteur sur des logiciels. Le groupe entretient une coopération technologique à long terme en matière de recherche et développement avec des universités et des instituts de recherche nationaux, notamment le « Centre de recherche et de développement sur l innovation environnementale » créé conjointement avec l Université des sciences et technologies d Anhui et le « Centre de recherche et de développement sur l énergie plasma et les nouvelles technologies environnementales » créé conjointement avec l Université des sciences et technologies du Zhejiang. Le groupe a mis en place ses propres bases de R&D et de production afin de mener une coopération technologique approfondie. Le groupe possède une technologie de base pour le traitement des COV et détient une qualification d entrepreneur général de classe II pour la construction de travaux publics municipaux, une licence de production sûre, une qualification de conception spéciale de classe B pour le contrôle de la pollution environnementale dans la province du Zhejiang, une qualification de service de main-d œuvre non classifiée et une qualification d entrepreneur professionnel d ingénierie spéciale. Le groupe a obtenu la certification ISO 9001 (système de management de la qualité), la certification ISO 14001 (système de management environnemental) et la certification ISO 45001 (système de management de la santé et de la sécurité au travail).

Certificat d honneur

Les distinctions suivantes témoignent de nos remarquables réussites. Nous avons conquis nos clients grâce à des produits de haute qualité et obtenu les éloges du marché et de tous les secteurs de la société grâce à un service irréprochable.

  • Unité de base et réacteur à champ électrique élevé de type plaque pour empêcher les fuites le long de la surface
  • Dispositif de réaction pour synthétiser du méthanol à l'aide de dioxyde de carbone et d'eau et procédé de synthèse de méthanol à l'aide de dioxyde de carbone et d'eau.
  • Précipitateur électrostatique autonettoyant
  • Un ventilateur haute pression résistant à la corrosion avec fonction de réglage de la direction du vent
  • Un ventilateur haute capacité autonettoyant réglable
  • Système de contrôle combiné de prétraitement des gaz d'échappement par gazéification catalytique
  • Système de purification et de traitement des gaz d'échappement à champ électrostatique continu, nettoyage à la vapeur
  • Système d'équipement de purification des gaz d'échappement par photolyse UV plasma à basse température
  • Certificat d'enregistrement de marque
Actualités et événements récents
Je partage avec vous
Voir plus d actualités